天津深
联科技有限公司
收藏本站
设为首页
|
收藏本站
首页
产品展示
新闻动态
技术支持
服务项目
项目业绩相册
关于我们
联系我们
留言板
会员登录
焦点新闻
企业新闻
技术文件
软件下载
项目业绩
项目相册
产品搜索
搜索
产品分类
电气自控系统设计
自控系统程序设计
自控仪表
系统运行与维护
旧系统升级改造
控制原理图绘制
成套
小设备控制系统设计调试
指定功能程序代码编写
PLC程序解密
工程资料
电气自控咨询服务
功能性自控系统开发
无线通讯
生产流水线
智能家居
在线客服
白天:09:00-17:30
晚上:19:00-21:00
客服一
商务友情链接
北京电气自控系统服务
电气自控网上商城
西门子官方网站
控制原理图绘制
当前条件:
控制原理图绘制
[
删除
]
幻灯片
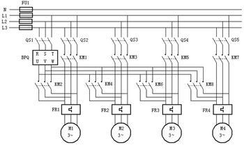
电气CAD原理图
自控PLC控制原理图
上一页
1
下一页
天气
网站二维码
扫描查看手机版网站
分享网站
新浪微博
QQ分享
QQ空间
豆瓣网
百度贴吧
登录
登录
注册>
◆
我的资料
◆
客服一
客服一
◆
留言
◆
查看手机网站
◆
回到顶部
◆